As technology advances, the ways of generating movement advance.
To these advances we must add that they are respectful with the environment, gradually eliminating fossil fuels and highly dangerous materials in their handling as much as possible.
Currently, different magnetic motors are coexisting both in development and in the project, the configuration of which, rather than being advantageous, contributes a series of drawbacks which are solved with the motor recommended here.
Fundamentals of operation
When we relate two permanent magnets in a horizontal position (we imply the two poles of each magnet), the force we need to separate them being South-North and North-South poles together would be the same as that we would need to rotate one of them 180 degrees with the advantage of that when rotating those 180 degrees, their poles will be in a South-South, North-North position, which obviously produces the repulsion and separates them, when we continue rotating the magnets, we will no longer have to make any effort because they are separated and when completing the 360 degrees ( now without effort) we find ourselves again in the South-North, North-South position causing attraction, but this time we have not needed any effort to achieve that force, therefore the balance of forces is positive.
We have used that balance of positive forces that we have called the Magnetic Cycle to design a motor that takes advantage of the magnetism of the magnets to generate 100% clean energy.
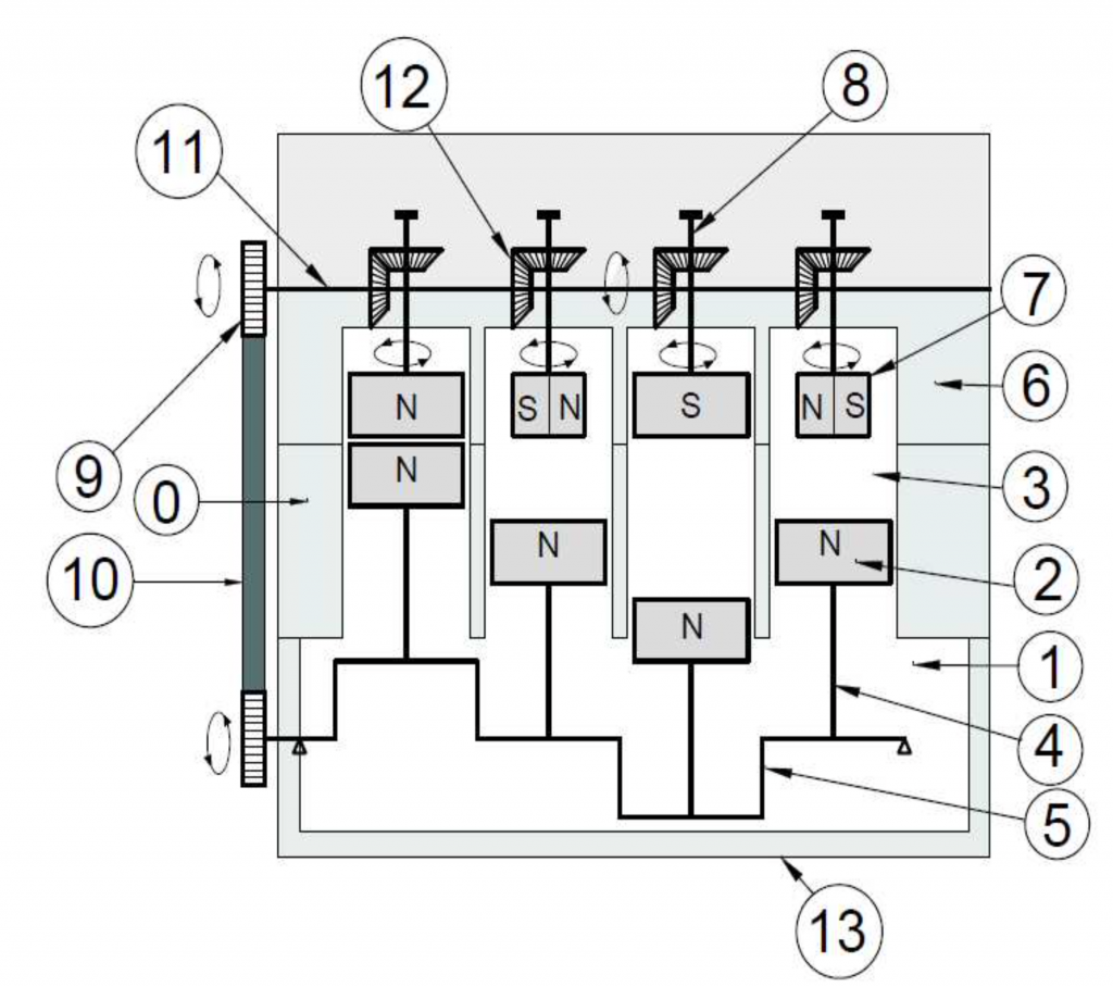
Our Reciprocating Rotor Magnetic Motor has a very simple operation based on the laws of magnetism. By taking advantage of the attractive and repulsive forces generated between permanent magnets placed in a rotor and in a stator, they allow to rotate a crankshaft whose rotation can be used for the movement of any machine or vehicle which requires mechanical energy.
With the tests carried on, it has been found that the energy required in the spin of the magnets of the stator is much less than the one that the crankshaft can produce as the result of the attraction and repulsion of the rotor magnets, thus obtaining positive values in what we call “magnetic cycle with positive outcome”.
Made of non-metallic materials, except for the magnets, it avoids overloads and requires less effort in transport thus providing more power.
VERSATILE
A linear, circular or mixed arrangement allows a good adjustment to different spaces, thus preventing the conditioning of the design to the motor housing.
SAFE
It has holes and pipes that will balance the variable pressure generated by the movement of the magnets of the rotor, thus preventing overpressure.
Do you want to know what our patents and recognitions are?
Our project has several Spanish and European certifications and recognitions
1
European patent application
We have processed the patent of the project for Europe with application number EP-19802628.
2
Utility Model ("Modelo de Utilidad") in Spain
By virtue of this, the owner is granted an exclusive right throughout the Spanish national territory, under the conditions and with the limitations in the Patent Law.
3
TAX INCENTIVE "PATENT BOX"
Project under the so-called “PATENT BOX”, an indirect way of obtaining higher income from its exploitation.
Why bet on our Project
We give you 10 reasons to support the Permanent Magnet Reciprocating Rotor Magnetic Motor
WITH RECOGNITION IN SPAIN AND EUROPEAN PROCESSING
Future's energy
Zero consumption
OUR PROJECT WILL CONTRIBUTE TO MAKING A MORE SUSTAINABLE PLANET
HELPS STOP CLIMATE CHANGE
Zero CO2 emissions
ENGINE FOR THE ELECTRIC CARS OF THE FUTURE
MOTOR FOR CHARGING CURRENT ELECTRIC CAR BATTERIES
ENERGY SOURCE FOR INDUSTRY, HOME, ...
INNOVATION FOR THE ENVIRONMENT
Are you interested in our project?
We are looking for a ``strategic partner`` for its exploitation through the transfer of ``know-how`` and industrial property rights.
If you want to know more or be part of the project, contact us, we will be happy to move forward together.